吉創
伺服行星減速機選型時,一般都是參照型錄,型錄中都有標準的規格。若在選型時已選擇了一款行星減速機,配套使用的伺服或步進電機參數經由公式算出安全系數等都是沒問題的,但對照型錄之下發現這臺電機軸徑比行星減速軸孔小,那可怎么辦呢?
解決方法:
加“軸套”。當電機軸徑比減速機入力孔小時,需要一個軸套去補償尺寸才能夾緊。
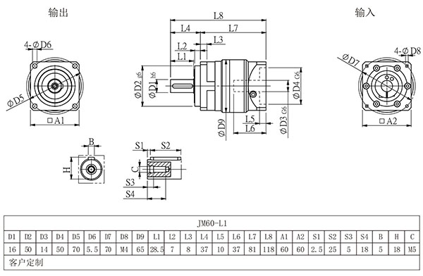
伺服行星減速機的參數圖:

伺服行星減速機主要為伺服電機/步進電機專用,最大特點為高精度、傳遞能力大。當然也可以配直流電機、單相電機、同步電機及各類三相異步電機等動力源.本精密行星減速機采用行星齒輪結構設計,采用高性能合金鋼特殊熱處理,法蘭等為鋁臺金材質,具有外形美觀、體積小、重量輕、扭矩大、噪音低、高效率、使用壽命長等特點。全封閉內加高性能潤滑脂。終生免維護。
